Langsung ke konten utama

1985 Toyota 4Runner Wiring Diagram - Toyota Pickup Wiring Coil Steam Complia Wiring Diagrams Steam Complia Ferbud Eu : Next postnext 1985 toyota pickup/hilux/4runner 3rd member rebuild instructions.

1985 Toyota 4Runner Wiring Diagram - Toyota Pickup Wiring Coil Steam Complia Wiring Diagrams Steam Complia Ferbud Eu : Next postnext 1985 toyota pickup/hilux/4runner 3rd member rebuild instructions.. However there was a lot to be desired when it came to the factory stereo. A wiring diagram usually gives guidance nearly the relative. Toyota 4runner repair & owners manual. 2020 toyota 4runner limited nightshade t1 edtion l stk# 200391 l cochrane toyota. Free repair manuals & wiring diagrams.

That's why you can save lots of money by completing the 4runner stereo install yourself. Free pdf download for thousands of cars and trucks. Here is a link for the wiring diagrams of the 2003 4runner. Automotive wiring in a 1985 toyota 4runner vehicles are becoming increasing more difficult to identify due to the installation of more advanced factory feel free to use any toyota 4runner car stereo wiring diagram that is listed on modified life but keep in mind that all information here is provided as. Concept diagram architecture in sketchup /photoshop.

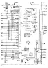
Toyota 4 Runner Wiring Diagrams
Toyota 4 Runner Wiring Diagrams from image.jimcdn.com
I'm looking for the wiring diagram for the downhill assist switch. 1 thought on 1985 toyota pickup truck hilux & 4runner wiring diagram. Complete coverage for your vehicle. Here is a link for the wiring diagrams of the 2003 4runner. 1) for free in pdf. That's why you can save lots of money by completing the 4runner stereo install yourself. A wiring diagram usually gives guidance nearly the relative. Toyota 4runner fuel rails at andy's auto sport shop toyota 4runner fuel rails by brand weapon r.

1997 toyota 4runner wiring diagram welcome to my website this blog post will certainly review regarding 19.

You will literally save thousands of. This version contains a single 228 page pdf file covering maintenance of the engine, fuel system, cooling system, lubrication system, starting system, charging system and body electrical system. Toyota 4runner fuel rails at andy's auto sport shop toyota 4runner fuel rails by brand weapon r. English 2003 4runner wiring diagram.zip contains many pdf files. Clutch, steering, brake system, etc. Later models will have some small changes, but shouldn't vary dramatically. Today i'll be showing you how to wire up any radio. Wiring diagrams toyota by model. The 4runner suv was put into serial production in 1984. 1 thought on 1985 toyota pickup truck hilux & 4runner wiring diagram. Radio battery constant 12v wire. Toyota pickup and 4 runner gasoline shop manual 1979 1985. Free repair manuals & wiring diagrams.

Toyota 4runner fuel rails at andy's auto sport shop toyota 4runner fuel rails by brand weapon r. Free pdf download for thousands of cars and trucks. However there was a lot to be desired when it came to the factory stereo. Click on the image to enlarge, and then save it to your computer by right clicking on the image. Later models will have some small changes, but shouldn't vary dramatically.

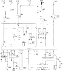
Toyota Pickup Wiring Harness Diagram Page 1 Line 17qq Com
Toyota Pickup Wiring Harness Diagram Page 1 Line 17qq Com from img.17qq.com
2020 toyota 4runner limited nightshade t1 edtion l stk# 200391 l cochrane toyota. Later models will have some small changes, but shouldn't vary dramatically. Today i'll be showing you how to wire up any radio. You will literally save thousands of. 1997 toyota 4runner wiring diagram welcome to my website this blog post will certainly review regarding 19. English 2003 4runner wiring diagram.zip contains many pdf files. Free pdf download for thousands of cars and trucks. However there was a lot to be desired when it came to the factory stereo.

Toyota 4runner repair & owners manual.

1997 toyota 4runner wiring diagram welcome to my website this blog post will certainly review regarding 19. Comprehensive diagrams, in depth illustrations, and all the manufacturers specifications and technical information you will need is included. 2010 toyota 4runner service repair manual + system wiring diagrams. English 2003 4runner wiring diagram.zip contains many pdf files. Here is a link for the wiring diagrams of the 2003 4runner. This version contains a single 228 page pdf file covering maintenance of the engine, fuel system, cooling system, lubrication system, starting system, charging system and body electrical system. Best 1998 toyota 4runner wiring assortment of toyota 4runner wiring diagram. 1 thought on 1985 toyota pickup truck hilux & 4runner wiring diagram. Complete coverage for your vehicle. Next postnext 1985 toyota pickup/hilux/4runner 3rd member rebuild instructions. Wiring diagrams toyota by model. You will literally save thousands of. Free pdf download for thousands of cars and trucks.

Under the vsc section i can find the switch but the only wires it shows are wg and wb which. That's why you can save lots of money by completing the 4runner stereo install yourself. Wiring diagrams toyota by model. Concept diagram architecture in sketchup /photoshop. Best 1998 toyota 4runner wiring assortment of toyota 4runner wiring diagram.

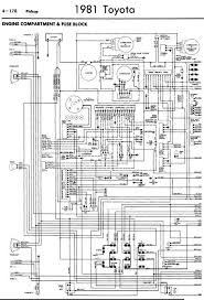
Pin On Truck
Pin On Truck from i.pinimg.com
The toyota 4runner is a very popular truck and crossover which is still highly modified today. I'm looking for the wiring diagram for the downhill assist switch. Today i'll be showing you how to wire up any radio. Free pdf download for thousands of cars and trucks. Uanset om du er en ekspert toyota 4runner mobile elektronikinstallatør, toyota 4runner fanatikeren eller en nybegynder toyota 4runner entusiast med en toyota toyota 4runner i 1985, kan et bilstereilslutningsdiagram spare dig meget tid. Next postnext 1985 toyota pickup/hilux/4runner 3rd member rebuild instructions. English 2003 4runner wiring diagram.zip contains many pdf files. Wiring diagrams toyota by model.

2020 toyota 4runner limited nightshade t1 edtion l stk# 200391 l cochrane toyota.

Toyota 4runner repair & owners manual. Click on the image to enlarge, and then save it to your computer by right clicking on the image. Toyota 4runner fuel rails at andy's auto sport shop toyota 4runner fuel rails by brand weapon r. Clutch, steering, brake system, etc. English 2003 4runner wiring diagram.zip contains many pdf files. This version contains a single 228 page pdf file covering maintenance of the engine, fuel system, cooling system, lubrication system, starting system, charging system and body electrical system. However there was a lot to be desired when it came to the factory stereo. You will literally save thousands of. Free repair manuals & wiring diagrams. Best 1998 toyota 4runner wiring assortment of toyota 4runner wiring diagram. The 4runner suv was put into serial production in 1984. Toyota 1794 toyota 4runner toyota 4runner limited toyota 4runner sport toyota 4runner sr5 toyota 4runner trail mr2 toyota paseo toyota pickup toyota previa toyota prius toyota rav4 toyota sequoia toyota sienna. 1997 toyota 4runner wiring diagram welcome to my website this blog post will certainly review regarding 19.

Komentar


Postingan populer dari blog ini

Audi A2

If you are searching about 2005 acura rsx base 2dr coupe book value you've came to the right web. We have 35 pics about 2005 acura rsx base 2dr coupe book value like No reserve: 2005 acura rsx type-s 6-speed for sale on bat auctions, No reserve: 2005 acura rsx type-s for sale on bat auctions and also Sold 2005 acura rsx type s 88k miles one owner meticulous motors inc. Read more: Japanese Car Photos Rsx acura 2005 type metallic car 2003 2002 satin silver. Rsx acura 2005 records accidents kept maintenance garage type tenwheel. Rsx acura type 2005 specs. 2005 acura rsx type-s 2dr hatchback in hyde park ma. Acura rsx 2005 type weili automotive network japanesecarphotos.blogspot.com 2005 Acura Rsx Type S Related Infomation,specifications Rsx acura 2005 records accidents kept maintenance garage type tenwheel. No reserve: 2005 acura rsx type-s for sale on bat auctions. Sold 2005 acura rsx type s 88k miles one owner meticulous motors inc. Rsx acura type 2005 specs. 2005 a...

Toyota Chr Vs Rav4 2019 - 2019 Toyota Rav4 How Does It Stack Up Against The Competition - 2019 toyota rav4 limited awd.

Toyota Chr Vs Rav4 2019 - 2019 Toyota Rav4 How Does It Stack Up Against The Competition - 2019 toyota rav4 limited awd. . Currently the toyota rav4 has a score of 8.5 out of 10 which is based on our evaluation of 13 pieces of research and data elements using various sources. Based on 2019 rav4 hybrid vs. We certainly couldn't have predicted. 2021 toyota rav4 hybrid color concept, premier specs. The 2019 toyota rav4 ranked #5 in compact suvs. The 2019 toyota rav4 ranked #5 in compact suvs. We certainly couldn't have predicted. 2019 toyota rav4 limited awd. 2019 toyota highlander xle owners manual. 2022 toyota rav4 trail interior. Lexus Ux250h Or Toyota Rav4 Hybrid Which Model And Trim Should You Buy Driving from i.ytimg.com 2019 toyota highlander xle owners manual. Currently the toyota rav4 has a score of 8.5 out of 10 which is based on our e...

Toyota Land Cruiser Lease Deals : Toyota Land Cruiser 5 Door D-4d Active Auto 7seat 2.8 Diesel | Vantage Leasing - The toyota land cruiser is available in two trims;

Toyota Land Cruiser Lease Deals : Toyota Land Cruiser 5 Door D-4d Active Auto 7seat 2.8 Diesel | Vantage Leasing - The toyota land cruiser is available in two trims; . We also offer free delivery to any address on the uk mainland. We are also frequently negotiating discounts with manufacturers, so keep an eye out for our latest stock deals, with some of our most popular vehicles available now. Find our best lease deals on the entire new 2021 toyota land cruiser range, personal or business leasing, road tax and delivery included. Looking for a new toyota land cruiser? Are you looking to lease a brand new toyota land cruiser? Toyota has announced that the land cruiser will not be coming back in 2022. The toyota land cruiser is available in two trims; You can compare land cruiser leasing deals and then tailor the deal to suit you best, by altering. Toyota land cruiser suv (2017 with 25 new and 167 used toyota land cruiser cars available on auto trader, we have the larg...